Apresentamos o Amplificador de Sinal Pepperl & Fuchs.
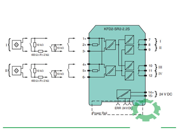
Com aplicação na área da Automação e Controlo, apresentamos o Amplificador de Sinal KFD2-SR2-2.2S da marca Pepperl & Fuchs, em concreto um módulo com isolamento galvânico, uma solução de grande qualidade e fiabilidade.
Algumas características técnicas:
- Condicionador de sinal de 2 canais
- Fonte de 24 V DC (trilho de alimentação)
- Contato seco ou entradas NAMUR
- Utilizável como divisor de sinal (1 entrada e 2 saídas)
- 2 x 2 saídas de contato de relé com lógica AND
- Deteção de falha de linha (LFD)
- Modo reversível de operação
- Até SIL 2 acc. para IEC 61508 / IEC 61511






